
Podrobný popis produktu
| Výhoda: | Vysoká rychlost | Rychlost značení: | 60-200ks / min |
|---|---|---|---|
| Funkce: | Štítek s nálepkou | Materiál: | Nerezová ocel |
| Typ láhve: | Automatická nádoba na kulaté lahve | Aplikace: | Pro všechny druhy kulatých kontejnerů |
| Značka Plc: | MITSUBISHI (Japonsko) | Servo Labeling Motor: | DELTA (Tchaj-wan) |
etiketovací stroj na červené víno etiketovací stroj na lahve na víno, řídicí systém PLC etiketovací stroj značky MITSUBISHI
Funkce:
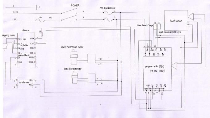
1. Provoz: Řídicí systém PLC usnadňuje ovládání etiketovacího stroje
2. Materiál: Hlavní část etiketovacího stroje je vyrobena z nerezové oceli SUS304
3. Konfigurace: Naše etiketovací stroje přijímají dobře známé japonské, německé, americké, korejské nebo tchajwanské značky
4. Flexibilita: Klient si může zvolit přidání tiskárny a kódovacího stroje; si může vybrat, zda se má spojit s otrokářem nebo ne.
Technické parametry:
| název | Automatická kulatá láhev na víno pro vysokorychlostní smršťovací stroj na označování kulatých lahví |
| Rychlost označování | 60-350ks / min |
| Výška objektu | 30-350 mm |
| Tloušťka objektu | 20 - 120 mm |
| Výška štítku | 5-180 mm |
| Délka štítku | 25-300 mm |
| Vnitřní průměr etiketového válce | 76 mm |
| Vnější průměr etiketového válce | 420 mm |
| Přesnost značení | ± 1 mm |
| Zdroj napájení | 220V 50 / 60HZ 3,5KW |
| Spotřeba plynu u tiskárny | 5 kg / m2 (pokud přidáte kódovací stroj) |
| Velikost etiketovacího stroje | 2800 (D) × 1650 (Š) × 1500 (V) mm |
| Hmotnost etiketovacího stroje | 180 kg |
Konfigurace
| Ne. | Část | značka | Množství |
| 1 | PLC | MITSUBISHI (Japonsko) | 1 |
| 2 | Hlavní převodník | DANFOSS (Dánsko) | 1 |
| 4 | HMI | WEINVIEW (Tchaj-wan) | 1 |
| 5 | Servo etiketovací motor | DELTA (Tchaj-wan) | 1 |
| 6 | Ovladač servomotoru | DELTA (Tchaj-wan) | 1 |
| 7 | Motor dopravníku | HY (Tchaj-wan) | 1 |
| 8 | Převodovka motoru dopravníku | HY (Tchaj-wan) | 1 |
| 9 | Motor dělicí láhve | GPG (Tchaj-wan) | 1 |
| 10 | Dělicí převodovka lahvového motoru | GPG (Tchaj-wan) | 1 |
| 11 | Regulátor rychlosti oddělování lahví motoru | GPG (Tchaj-wan) | 1 |
| 12 | Paprskový motor | GPG (Tchaj-wan) | 1 |
| 13 | Převodovka motoru s paprskem | GPG (Tchaj-wan) | 1 |
| 14 | objekt detekuje magické oko | OMRON (Japonsko) | 1 |
| 15 | optické vlákno | OMRON (Japonsko) | 1 |
Detail stroje:

32 hlavních etiketovacích strojů

Kruhový diagram

FAQ:
Štítek 1. má bubliny
Důvody:
① odlepovací deska není dobrá / není plochá;
② radlice není dobrá / není plochá;
Output výstup štítkování je příliš rychlý nebo je příliš nízká rychlost montážní linky;
④ štítek je příliš uvolněný
Řešení:
① vyměňte ploché slupky;
② vyměňte ploché radlice;
③ zpomalit výstupní rychlost štítkování nebo zvýšit rychlost montážní linky;
④ správně zatlačte na štítek.
Štítek: průmyslový etiketovací stroj, etiketovací stroj na skleněné láhve









